Aprašymas
- Židinio kapsulė Defro Home Intra XSM C atidaromomis durelėmis.
- Juodos tunelinės grotelės 650 x 90 mm (2 vnt.)
- Juodos tunelinės grotelės 200 x 90 mm (4 vnt.)
- Juodas metalinis apdailinis rėmelis aplink pakurą
| Gamintojas | DEFRO HOME (Lenkija) |
| Modelis | INTRA XSM C su balta keramika pakuroje |
| Durelių mechanizmas | atidaroma |
| 8 kW | |
| 3,2 – 9,6 kW | |
| Energinio efektyvumo klasė | A+ |
| Efektyvumas | 80,9 % |
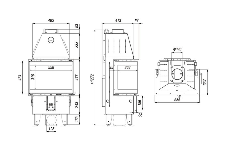
| Dūmtraukio skersmuo | 150 mm |
| Dūmų temperatūra | 250 °C |
| Maksimalus malkų ilgis | 350 mm |
| Lauko oro tiekimas degimui | + |
| Oro tiekimo jungties skersmuo | 125 mm |
| Garantija | 5 metai |
| Svoris | ~140 kg |
Grotelės:
| Gamintojas | DEFRO HOME (Lenkija) |
| Išorės matmenys (ilgis x aukštis x gylis) | 650 x 90 x 120 mm |
| Angos matmenys (ilgis x aukštis) | 620 x 60 mm |
| Medžiaga | plienas |
| Spalva | juoda |
| 322 cm2 | |
| Garantija | 2 metai |
Grotelės:
| Gamintojas | DEFRO HOME (Lenkija) |
| Išorės matmenys (ilgis x aukštis x gylis) | 200 x 90 x 120 mm |
| Angos matmenys (ilgis x aukštis) | 170 x 60 mm |
| Medžiaga | plienas |
| Spalva | juoda |
| 92 cm2 | |
| Garantija | 2 metai |
Rėmelis:
| Gamintojas | DEFRO HOME (Lenkija) |
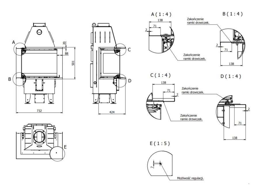
| Išorės matmenys (ilgis x plotis x aukštis) | 730 x 420 x 500 mm |
| Medžiaga | plienas |
| Spalva | juoda |
| Garantija | 2 metai |
































Atsiliepimai
Atsiliepimų dar nėra.